votre machine
 
article rechercher
 
Nous avons
3
5
9
1
6
0
pièces en stock.
service technique Pour une question d'efficacité, le service technique est disponible uniquement par mail.
service client Du lundi au vendredi
De 9h à 12h et de 14h à 18h

facebook instagram
pictograme colissimo et chronopost
boutton accueil > Piaggio > Vespa > 200 > Disque d embrayage
Disque d'embrayage lisse pour scooter Piaggio 200 Vespa PS 1988-1990 Ø108 093745
Disque d'embrayage lisse pour scooter Piaggio 200 Vespa PS 1988-1990 Ø108 093745Disque d'embrayage lisse pour scooter Piaggio 200 Vespa PS 1988-1990 Ø108 093745Disque d'embrayage lisse pour scooter Piaggio 200 Vespa PS 1988-1990 Ø108 093745Disque d'embrayage lisse pour scooter Piaggio 200 Vespa PS 1988-1990 Ø108 093745
logo constructeur

Disque d embrayage

Référence : 253933-1
Réf. Constructeur : Ø108mm / 093745 / 050720
Compatible pour : Piaggio Vespa PS 200cc de 1988 à 1990
Voir les autres compatibilités
8,50 €
TVA 20% incluse
boutton ajouter au panierAjouter au panier

Quantité

1+ -

DISPONIBLEEn Stock : 6

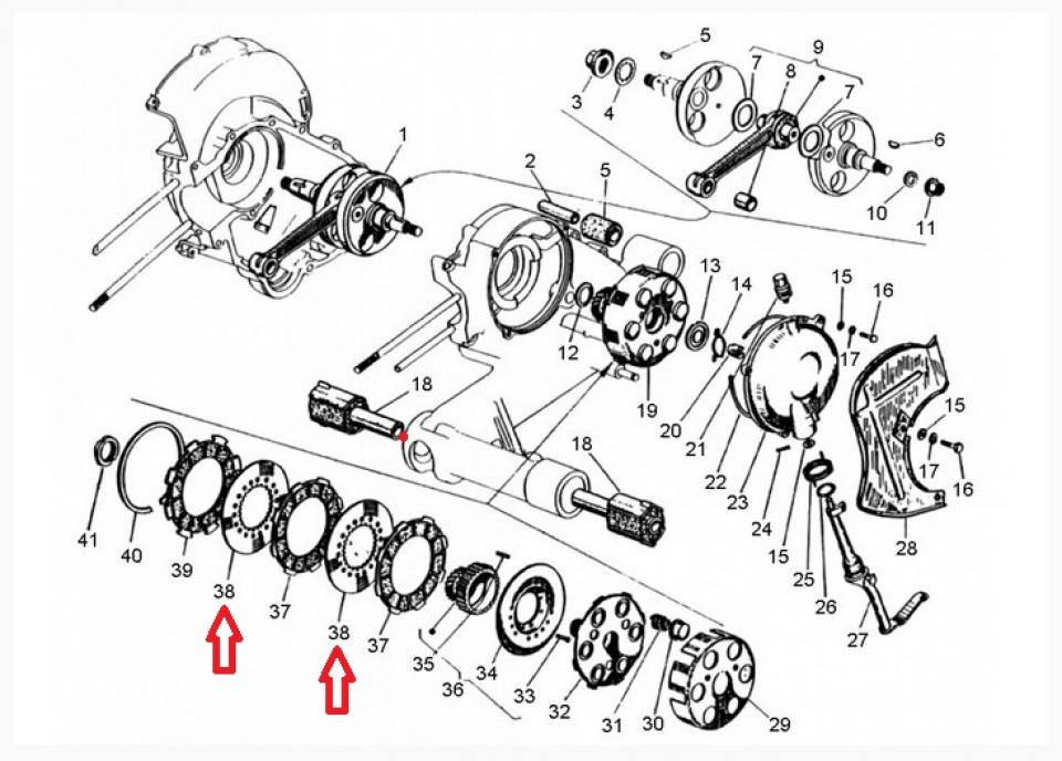
Un disque lisse d'embrayage neuf d'origine Piaggio référence '093745' ou '050720', repère numéro 38 sur la vue éclatée.

Caractéristiques :

- Diamètre extérieur : 108mm
- Diamètre intérieur entre dents : 56mm
- Diamètre intérieur sur dents : 49.5mm
- Épaisseur : 1.5mm
- Nombre de dents : 25

Vendu nu à l'unité.

Livré conforme à la photo.

Couleur : Gris

Matière : Métal

Etat : Neuf

Produit neuf en parfait état.

10/03/2026
09/03/2026

Compatibilités

    Piaggio
image poser une question