Frais de port offerts à partir de 89,00€ d'achat.
Les retours sont acceptés sous un délai de 14 jours à compter de la réception du colis.
Le délai de livraison est de deux jours ouvrables en Colissimo et 24H en Chronopost pour la France Métropolitaine.
Nous apportons le plus grand soin à chaque colis. Nous utilisons également des emballages de réemploi pour le respect de l'environnement.
Nous acceptons les paiements par carte, Paypal, virement bancaire et chèque selon votre choix.


Quantité
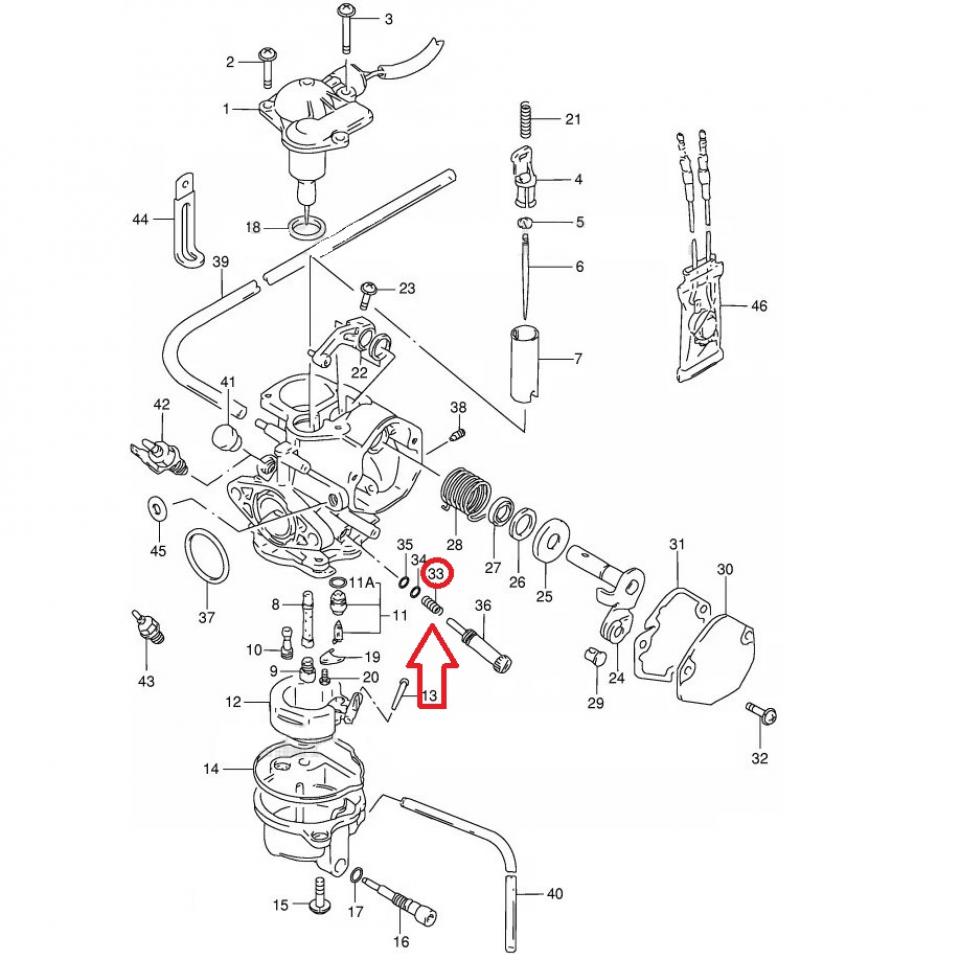
1+ -Ressort de vis de réglage de carburateur neuf d'origine SUZUKI référence '13268-35010'
Caractéristiques :
- Longueur hors tout : 10mm
- Diamètre extérieur : 4.9mm
- Diamètre intérieur : 3.3mm
- Section du fils : 0.75mm
Repère N°33 sur la vue éclatée.
Vendu à l'unité.
Livré conforme à la photo.
Couleur : Gris
Matière : Métal
Etat : Neuf
Produit neuf en parfait état.