Frais de port offerts à partir de 89,00€ d'achat.
Les retours sont acceptés sous un délai de 14 jours à compter de la réception du colis.
Le délai de livraison est de deux jours ouvrables en Colissimo et 24H en Chronopost pour la France Métropolitaine.
Nous apportons le plus grand soin à chaque colis. Nous utilisons également des emballages de réemploi pour le respect de l'environnement.
Nous acceptons les paiements par carte, Paypal, virement bancaire et chèque selon votre choix.


Quantité
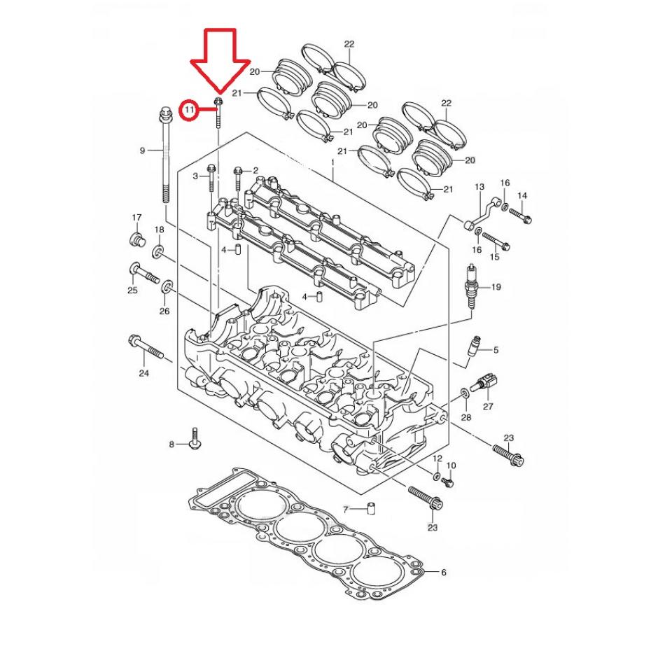
1+ -Vis de culasse neuve origine SUZUKI référence '07120-0655B'.
Repère N°11 sur la vue éclatée.
Caractéristiques :
- Longueur hors tout : 60.7mm
- Longueur sous tête : 54.8mm
- Longueur du filetage : 19mm
- Filetage : M6 pas de 100 standard
- Diamètre de la collerette : 12.3
- Diamètre de l'axe : 5.9
- Hexagonale creux : 5mm
Vendu nu à l'unité.
Livré conforme à la photo.
Couleur : Noir
Matière : Métal
Etat : Neuf
Produit neuf en parfait état.