Frais de port offerts à partir de 89,00€ d'achat.
Les retours sont acceptés sous un délai de 14 jours à compter de la réception du colis.
Le délai de livraison est de deux jours ouvrables en Colissimo et 24H en Chronopost pour la France Métropolitaine.
Nous apportons le plus grand soin à chaque colis. Nous utilisons également des emballages de réemploi pour le respect de l'environnement.
Nous acceptons les paiements par carte, Paypal, virement bancaire et chèque selon votre choix.








Quantité
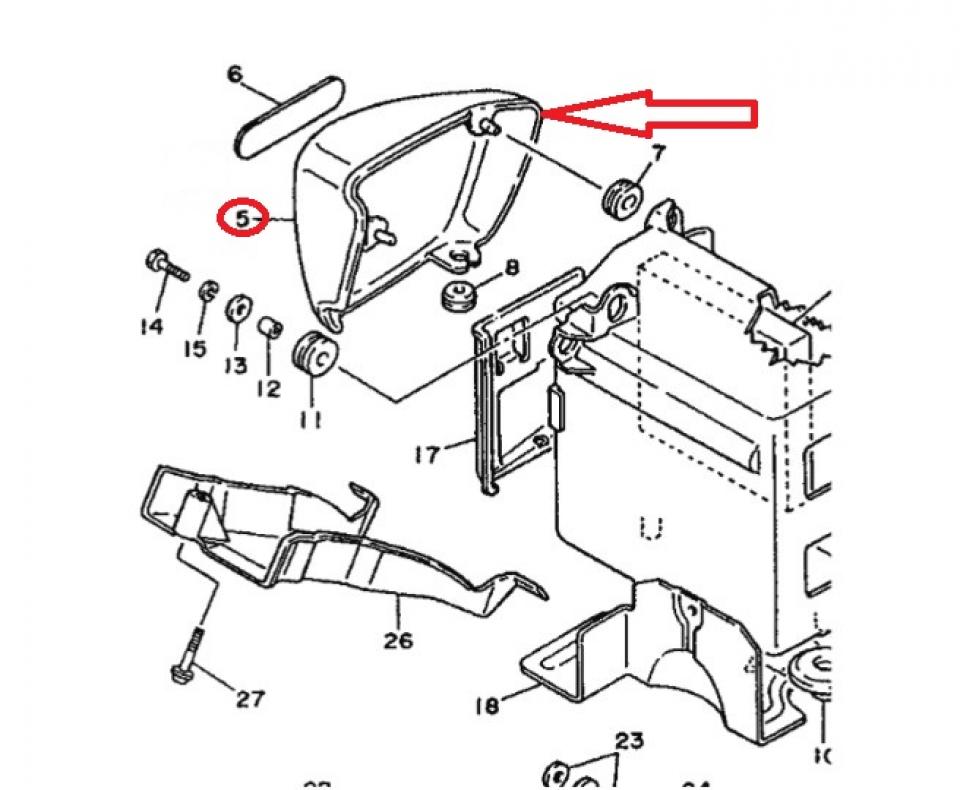
1+ -Cache latéral droit d'origine YAMAHA référence '42X-21721-00-JW' neuf en plastique coloris noir.
Référence sur la pièce : '42X-21721-00'.
Ce cache est situé sous la selle du côté droit du véhicule, repère N°5 sur la vue éclatée.
Vendu nu à l'unité.
Livré conforme à la photo.
Couleur : Noir
Matière : Plastique
Etat : Neuf en destockage
Produit neuf en déstockage présentant de légers défauts d'aspect.