Frais de port offerts à partir de 89,00€ d'achat.
Les retours sont acceptés sous un délai de 14 jours à compter de la réception du colis.
Le délai de livraison est de deux jours ouvrables en Colissimo et 24H en Chronopost pour la France Métropolitaine.
Nous apportons le plus grand soin à chaque colis. Nous utilisons également des emballages de réemploi pour le respect de l'environnement.
Nous acceptons les paiements par carte, Paypal, virement bancaire et chèque selon votre choix.


Quantité
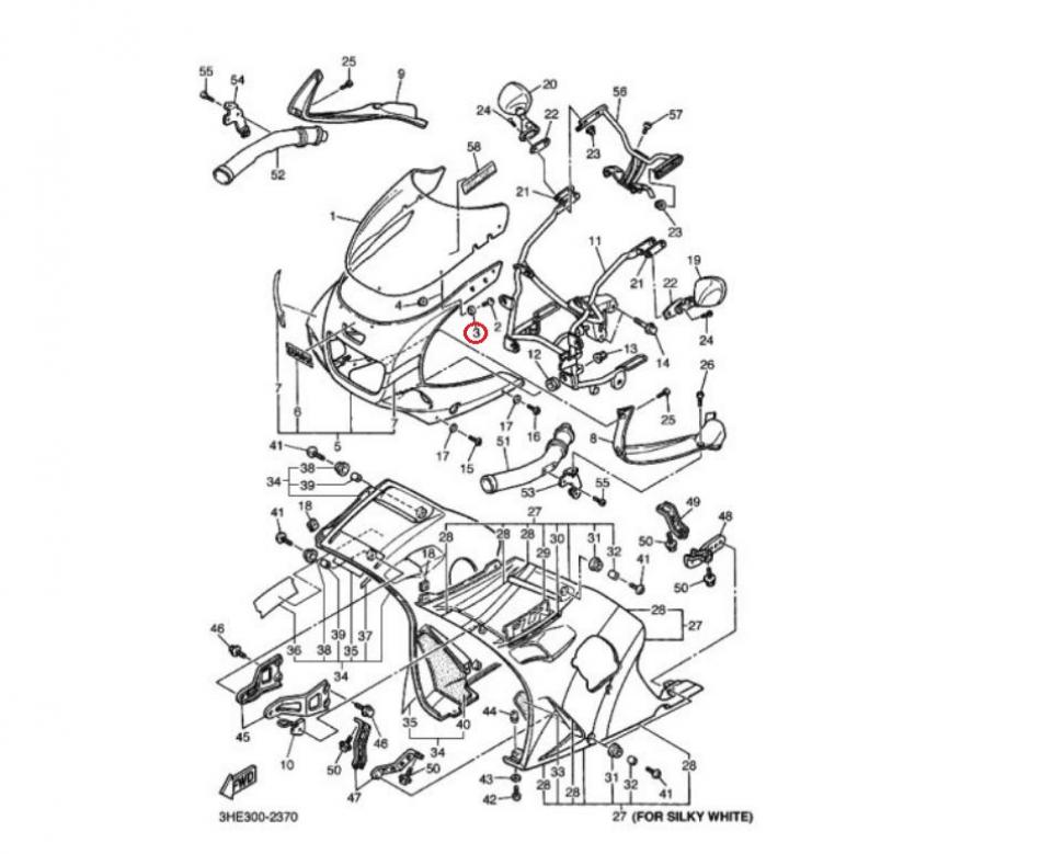
1+ -Rondelle avec mousse neuve, d'origine YAMAHA référence '3HX-28215-00-00' fabriqué en métal et mousse.
Caractéristiques :
- Diamètre extérieur : 17.5mm
- Diamètre intérieur : 5.5mm
- Épaisseur : 3.8mm
- Repère N°3 sur la vue éclatée.
Vendu nu à l'unité.
Livrée conforme à la photo.
Couleur : Noir
Matière : Divers
Etat : Neuf
Produit neuf en parfait état.