Frais de port offerts à partir de 89,00€ d'achat.
Les retours sont acceptés sous un délai de 14 jours à compter de la réception du colis.
Le délai de livraison est de deux jours ouvrables en Colissimo et 24H en Chronopost pour la France Métropolitaine.
Nous apportons le plus grand soin à chaque colis. Nous utilisons également des emballages de réemploi pour le respect de l'environnement.
Nous acceptons les paiements par carte, Paypal, virement bancaire et chèque selon votre choix.




Quantité
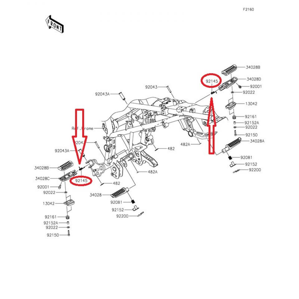
1+ -Ressort de cale-pied (repose-pied) avant neuf origine KAWASAKI référence '92145-0723' neuf en acier de coloris gris.
Repère 92145 sur la vue éclatée.
Caractéristiques :
- Longueur totale : 41mm.
- Diamètre extérieur : 19mm.
- Diamètre intérieur : 15mm.
- Diamètre du fil : 1.6mm.
Vendu à l'unité.
Livré conforme à la photo.
Couleur : Gris
Matière : Acier
Etat : Neuf
Produit neuf en parfait état.