Frais de port offerts à partir de 89,00€ d'achat.
Les retours sont acceptés sous un délai de 14 jours à compter de la réception du colis.
Le délai de livraison est de deux jours ouvrables en Colissimo et 24H en Chronopost pour la France Métropolitaine.
Nous apportons le plus grand soin à chaque colis. Nous utilisons également des emballages de réemploi pour le respect de l'environnement.
Nous acceptons les paiements par carte, Paypal, virement bancaire et chèque selon votre choix.






Quantité
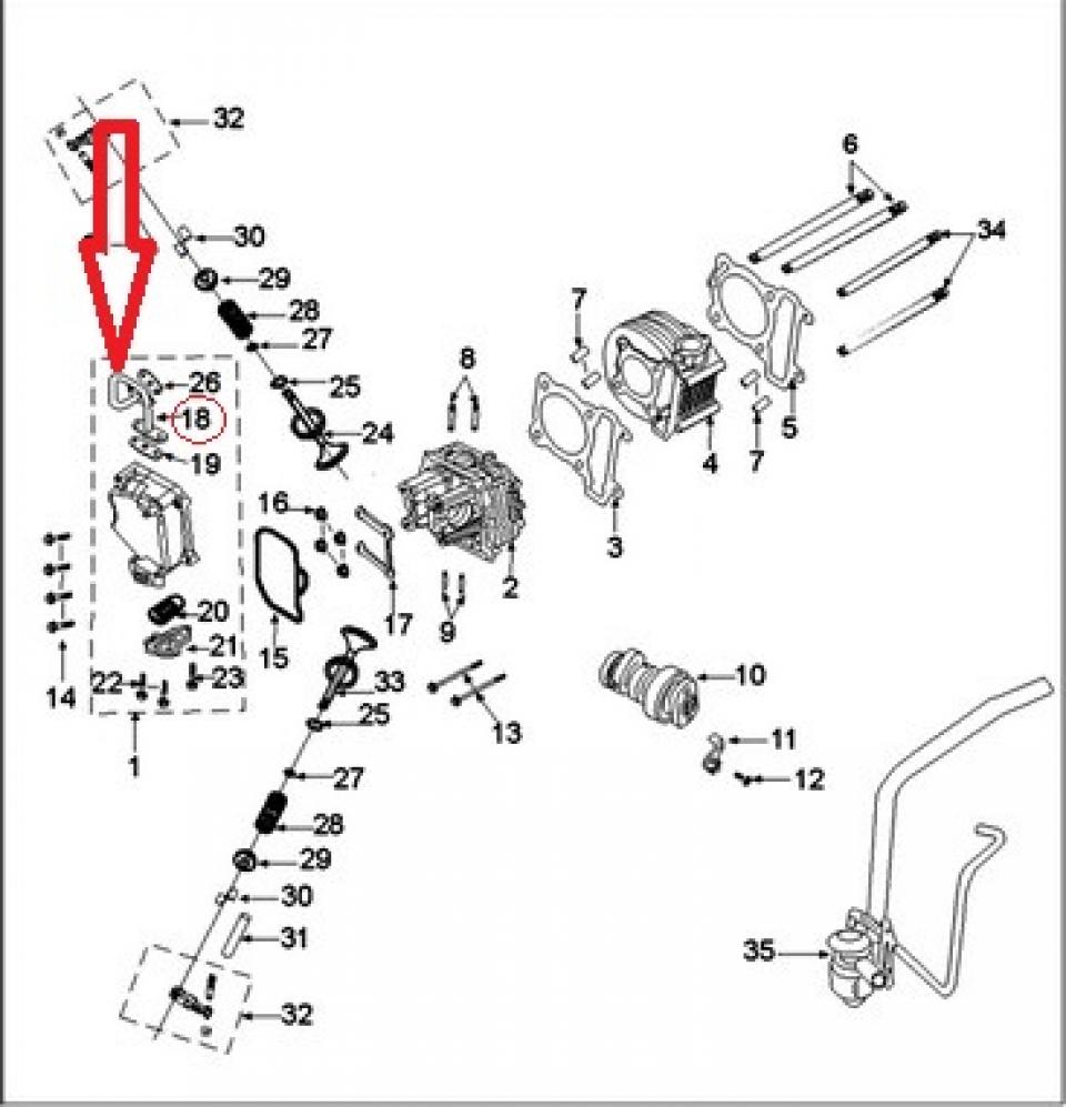
1+ -Durite rigide de système anti-pollution neuve origine PEUGEOT référence '802125' en acier de coloris noir.
Repère N°18 sur la vue éclatée.
Dimensions :
- Trous filetés : M6 pas de 100 standard (non inversé) / entre-axes 40mm.
- Trous lisses : 7x8.8mm / entre-axes 28mm.
- Diamètre interne/externe : 8mm / 10mm.
Vendue nue à l'unité sans joint ni visserie.
Livrée conforme à la photo.
Couleur : Noir
Matière : Acier
Etat : Neuf
Produit neuf en parfait état.