Frais de port offerts à partir de 89,00€ d'achat.
Les retours sont acceptés sous un délai de 14 jours à compter de la réception du colis.
Le délai de livraison est de deux jours ouvrables en Colissimo et 24H en Chronopost pour la France Métropolitaine.
Nous apportons le plus grand soin à chaque colis. Nous utilisons également des emballages de réemploi pour le respect de l'environnement.
Nous acceptons les paiements par carte, Paypal, virement bancaire et chèque selon votre choix.







Quantité
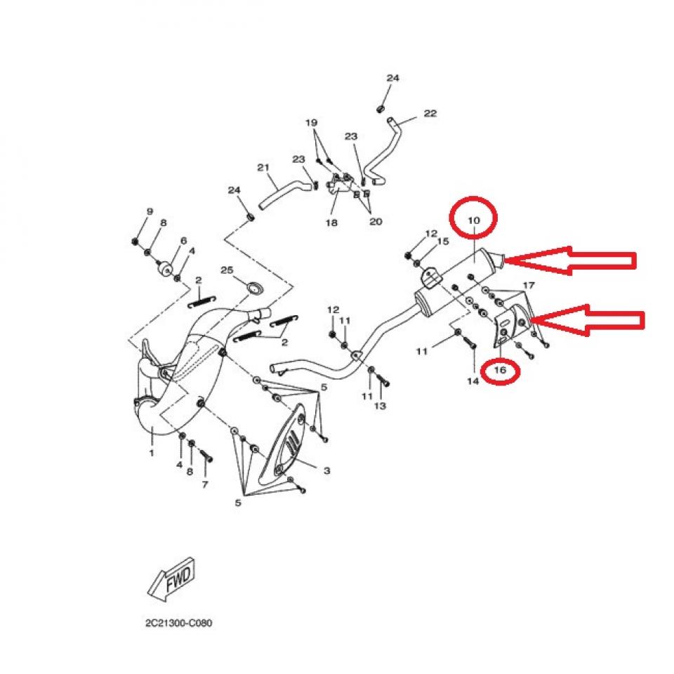
1+ -Silencieux d'échappement de marque MALAGUTI référence 'S2' d'origine YAMAHA référence '13C-E4750-00-00' neuf équipé de sa protection métallique de coloris gris.
Références sur la pièce : 'MALAGUTI S2-EU 2 / e3'.
Repères N°10 et N°16 sur la vue éclatée.
Dimensions :
- Longueur totale : 73.5cm
- Diamètre intérieur côté pot : 19mm
- Diamètre extérieur côté pot : 22mm
Vendu nu à l'unité sans visserie et sans joint.
Livré conforme à la photo.
Couleur : NOIR / GRIS
Matière : Métal
Etat : Neuf
Produit neuf en parfait état.