Frais de port offerts à partir de 89,00€ d'achat.
Les retours sont acceptés sous un délai de 14 jours à compter de la réception du colis.
Le délai de livraison est de deux jours ouvrables en Colissimo et 24H en Chronopost pour la France Métropolitaine.
Nous apportons le plus grand soin à chaque colis. Nous utilisons également des emballages de réemploi pour le respect de l'environnement.
Nous acceptons les paiements par carte, Paypal, virement bancaire et chèque selon votre choix.


Quantité
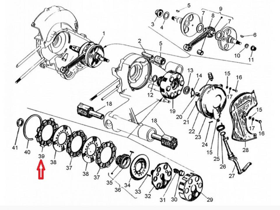
1+ -Un disque d'embrayage lisse d'un coté et garnis de l'autre neuf d'origine Piaggio référence '0507211' ou '050721', repère numéro 39 sur la vue éclatée.
Caractéristiques :
- Diamètre intérieur : 70mm
- Diamètre extérieur entre dents : 108mm
- Diamètre extérieur sur dents : 121mm
- Épaisseur : 2.1mm
- Nombre de dents : 8
- Largeur des dents : 14mm / 18mm
Vendu nu à l'unité.
Livré conforme à la photo.
Couleur : Marron
Matière : Métal
Etat : Neuf
Produit neuf en parfait état.