Frais de port offerts à partir de 89,00€ d'achat.
Les retours sont acceptés sous un délai de 14 jours à compter de la réception du colis.
Le délai de livraison est de deux jours ouvrables en Colissimo et 24H en Chronopost pour la France Métropolitaine.
Nous apportons le plus grand soin à chaque colis. Nous utilisons également des emballages de réemploi pour le respect de l'environnement.
Nous acceptons les paiements par carte, Paypal, virement bancaire et chèque selon votre choix.






Quantité
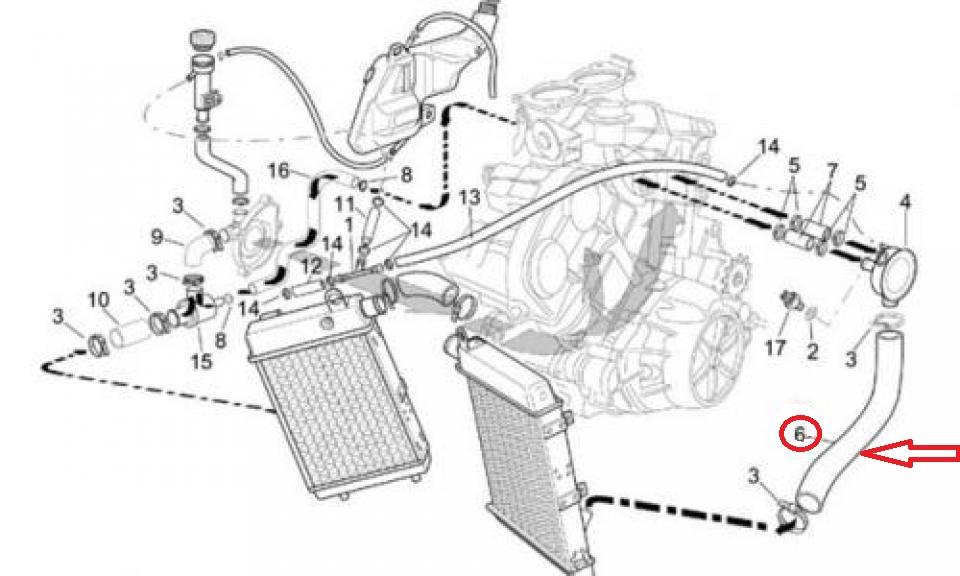
1+ -Une durite de circuit de refroidissement neuve d'origine APRILIA référence 'AP8120978'.
Repère N°6 sur la vue éclatée.
Dimensions :
- Diamètre intérieur : 23mm
- Diamètre extérieur : 31mm
- Longueur : 30cm environ
Vendue nue à l'unité sans visserie.
Livrée conforme à la photo.
Couleur : Noir
Matière : Caoutchouc
Etat : Neuf
Produit neuf en parfait état.