Frais de port offerts à partir de 89,00€ d'achat.
Les retours sont acceptés sous un délai de 14 jours à compter de la réception du colis.
Le délai de livraison est de deux jours ouvrables en Colissimo et 24H en Chronopost pour la France Métropolitaine.
Nous apportons le plus grand soin à chaque colis. Nous utilisons également des emballages de réemploi pour le respect de l'environnement.
Nous acceptons les paiements par carte, Paypal, virement bancaire et chèque selon votre choix.


Générique
Quantité
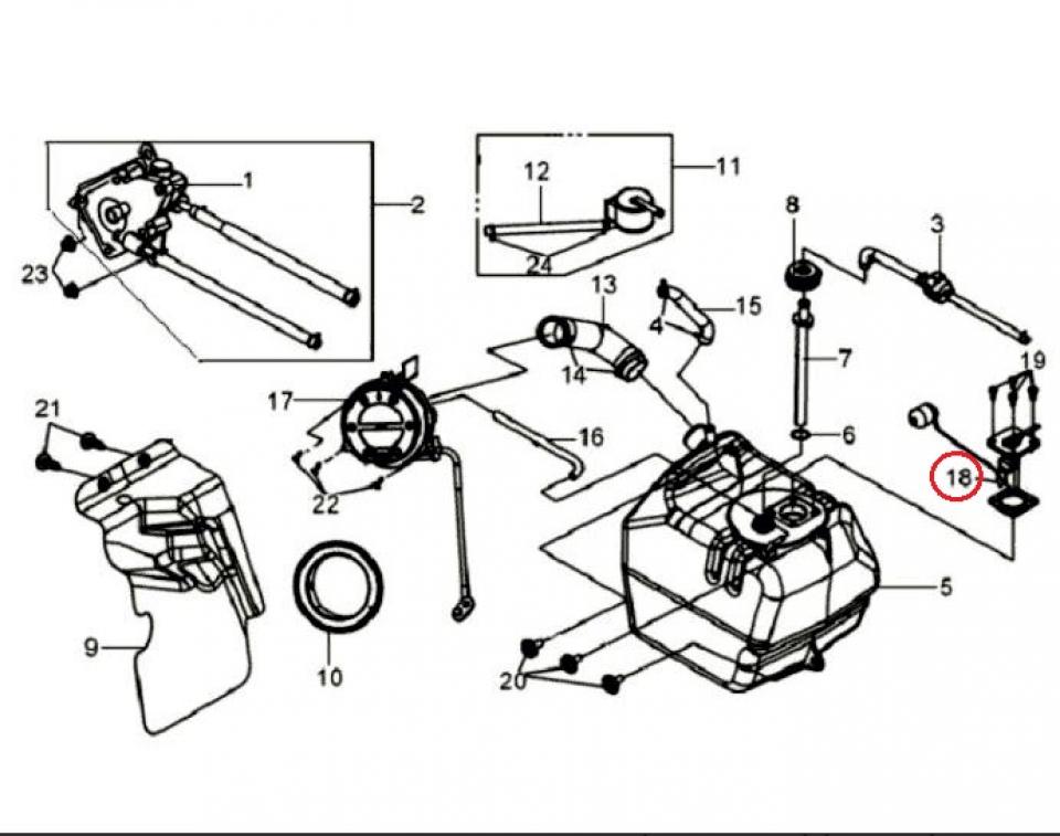
1+ -Jauge de niveau de réservoir d'essence neuve d'origine SYM référence : 37800-HMA-010.
Cette jauge de réservoir d'essence convient au remplacement de la pièce origine SYM référence : 37800-HMA-000.
Cette jauge est équipée d'un connecteur à deux broches plates mâle.
Caractéristiques :
- Entre axe des trous de fixations cote à cote : 40mm
- Diamètre des trous de fixations : 6mm
- Longueur hors tout : 24cm
- Diamètre du flotteur : 27mm
Repère N° 18 sur la vue éclatée.
Vendue à l'unité.
Livrée conforme à la photo.
Couleur : Jaune
Matière : Métal
Etat : Neuf
Une jauge à essence , livrée conforme à la photo